Противни для выпечки булочек для гамбургеров, хот-догов и круассанов
Противни для выпечки булочек разработаны для автоматизированных линий средних и крупных пищевых предприятий. Они подходят для крупносерийного производства в пекарнях, на заводах пищевой промышленности и в точках общественного питания.
Пекарские противни изготовлены из алюминизированной стали методом глубокой вытяжки из одного листа. Они имеют бесшовную конструкцию без углов и просты в очистке. Формы для булочек обладают гладким изогнутым дном, а также могут быть изготовлены с дополнительными арочными профилями для максимального контакта с тестом. Это позволит выпекать плоские и одинаковые булочки, которые сохраняют свою форму. Для лучшего отделения от формы и превосходного внешнего вида выпечки доступны варианты с высококачественным антипригарным покрытием, включая PFA (около 3000 циклов использования) и экономичный Teflon (около 1500 циклов использования).
Преимущества
- Противни промышленного уровня гарантируют высокую стандартизацию и однородность выпечки.
- Полная совместимость с автоматизированными линиями значительно снижает потребность в рабочей силе, повышая производительность.
- Противни могут быть адаптированы под ваши потребности по размеру, форме и материалу.
- Бесшовная конструкция исключает зазоры, где могут скапливаться остатки пищи, тем самым повышая гигиеничность.
- Мы обладаем собственными линиями для нанесения покрытий, а также предлагаем разные варианты покрытия для стабильных антипригарных свойств противней для выпечки.
Образцы продукции
Характеристики
Противни для булочек для гамбургеров
Секции по 3,5 дюйма (~8,9 см)

- Модель:
TS1602 - Покрытие: PTFE
- Размеры (Д×Ш×В): 600×400×40 мм
- Кол-во секций: 15
- Материал: Ал. сталь
- Форма: Плоская
- Толщина: δ0.8 мм
- Диаграмма размеров (Диам. сверху / Диам. снизу / Выс.):

Секции по 3,5 дюйма (~8,9 см)

- Модель:
TS1645 - Покрытие: PTFE
- Размеры (Д×Ш×В): 600×400×40 мм
- Кол-во секций: 15
- Материал: Ал. сталь
- Форма: Выпуклая
- Толщина: δ0.8 мм
- Диаграмма размеров (Диам. сверху / Диам. снизу / Выс.):

Секции по 4 дюйма (~10,2 см)

- Модель:
TS1604 - Покрытие: PTFE
- Размеры (Д×Ш×В): 600×400×40 мм
- Кол-во секций: 15
- Материал: Ал. сталь
- Форма: Выпуклая
- Толщина: δ0.8 мм
- Диаграмма размеров (Диам. сверху / Диам. снизу / Выс.):

Секции по 3,5 дюйма (~8,9 см)

- Модель:
TS1621 - Покрытие: PTFE
- Размеры (Д×Ш×В): 738×503×43 мм
- Кол-во секций: 24
- Материал: Ал. сталь
- Форма: Выпуклая
- Толщина: δ0.8 мм
- Диаграмма размеров (Диам. сверху / Диам. снизу / Выс.):

Секции по 3 дюйма (~7,6 см)

- Модель:
TS1608 - Покрытие: PTFE
- Размеры (Д×Ш×В): 600×400×35 мм
- Кол-во секций: 15
- Материал: Ал. сталь
- Форма: Плоская
- Толщина: δ0.8 мм
- Диаграмма размеров (Диам. сверху / Диам. снизу / Выс.):

Секции по 4 дюйма (~10,2 см)

- Модель:
DZ141067 - Покрытие: PTFE
- Размеры (Д×Ш×В): 738×503×43 мм
- Кол-во секций: 24
- Материал: Ал. сталь
- Форма: Выпуклая
- Толщина: δ0.8 мм
- Диаграмма размеров (Диам. сверху / Диам. снизу / Выс.):

Противни для булочек для хот-догов
Противни с ободом, усиленным лентой

- Модель:
TS1606 - Покрытие: PTFE
- Размеры (Д×Ш×В): 600×400×30 мм
- Кол-во секций: 15
- Материал: Ал. сталь
- Форма: Выпуклая
- Толщина: δ0.8 мм
- Диаграмма размеров (Диам. сверху / Диам. снизу / Выс.):


- Модель:
TS1610 - Покрытие: PTFE
- Размеры (Д×Ш×В): 600×400×45 мм
- Кол-во секций: 6
- Материал: Ал. сталь
- Толщина: δ0.8 мм
- Диаграмма размеров (Диам. сверху / Диам. снизу / Выс.):


- Модель:
TS12211073 - Покрытие: PTFE
- Размеры (Д×Ш×В): 530×380×30 мм
- Кол-во секций: 8
- Материал: Ал. сталь
- Толщина: δ0.7 мм
- Диаграмма размеров (Диам. сверху / Диам. снизу / Выс.):


- Модель:
TS1616 - Покрытие: PTFE
- Размеры (Д×Ш×В): 600×400×45 мм
- Кол-во секций: 12
- Материал: Ал. сталь
- Толщина: δ0.8 мм
- Диаграмма размеров (Диам. сверху / Диам. снизу / Выс.):


- Модель:
TS1614 - Покрытие: PTFE
- Размеры (Д×Ш×В): 600×400×33 мм
- Кол-во секций: 10
- Материал: Ал. сталь
- Толщина: δ0.8 мм
- Диаграмма размеров (Диам. сверху / Диам. снизу / Выс.):


- Модель:
DZ151038 - Покрытие: PTFE
- Размеры (Д×Ш×В): 660×458×37.7 мм
- Кол-во секций: 15
- Материал: Ал. сталь
- Толщина: δ0.8 мм
- Диаграмма размеров (Диам. сверху / Диам. снизу / Выс.):

Противни для круассанов

- Модель:
TS1618 - Покрытие: PTFE
- Размеры (Д×Ш×В): 600×400×45 мм
- Кол-во секций: 16
- Материал: Ал. сталь
- Толщина: δ0.8 мм
- Диаграмма размеров (Диам. сверху / Диам. снизу / Выс.):

- Модель:
TS1122 - Покрытие: PTFE
- Размеры (Д×Ш×В): 530×380×33 мм
- Кол-во секций: 12
- Материал: Ал. сталь
- Толщина: δ0.8 мм
- Диаграмма размеров (Диам. сверху / Диам. снизу / Выс.):

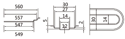
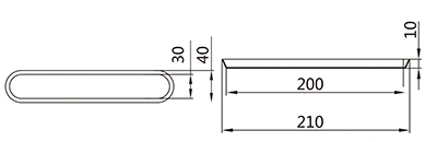
Справочная таблица






- A: Общая длина
- B: Общая ширина
- C: Высота
- D: Диаметр верхней части секции
- E: Диаметр нижней части секции
- F: Глубина секции
- G1: Расстояние секция-секция (длина)
- G2: Расстояние секция-секция (ширина)
Свяжитесь с нами!
Наши услуги не ограничиваются производством хлебопекарного оборудования и инвентаря: мы также оказываем комплексную поддержку на всех этапах, от персонализации до интеграции.
WhatsApp: +86-17368160555 Электронная почта: jackiema@t-shine.netT-Shine имеет более 20 лет опыта в производстве оборудования и инвентаря для пекарен. Наш производственный комплекс площадью 48 000 м² имеет сертификацию ISO и оснащен более чем 1 300 формами для создания хлебопекарного и кондитерского инвентаря. Компания также предлагает оборудование и хлебопекарные линии, созданные на основе нашей запатентованной технологии антипригарного покрытия T-ReXL для долговечности и простой очистки.








